Licencia pre prístup na systém SYSDO evidencie dochádzky a prístupu pre 50 užívateľov, neobmedzeným počom terminálova servisnou podporou na 12 mesiacov. Cena za prístup je konečná bez nutnosti nákupu SW, počítačou alebo dátových serverov.
Licencia pre prístup na systém SYSDO evidenciu dochádzky a prístupu pre 100 užívateľov, neobmedzeným počtom terminálov a servisnou podporou na 12 mesiacov. Cena za prístup je konečná bez nutnosti nákupu ďalších SW, počítačov alebo dátových severov.
Stabilizovaný zálohovaný zdroj 13.8V 3A s výstupem pro záložní akumulátor 12V/7Ah.
SMARTBOX 2 LITE je zařízení kombinující GPS tracker a výkonný akumulátor, díky kterému je možné transport sledovat i na velmi dlouhých cestách.
Stabilizovaný zálohovaný zdroj 13.8V v boxu s místem pro 12V/7Ah akumulátor, technické výstupy stavu AC a akumulátoru.
Stabilizovaný zálohovaný zdroj 13.8V / 5A s výstupem pro záložní akumulátor 12V/7Ah.
IP prístupová PCB ústredňa SYSDO na jedny dvere pre evidenciu a kontrolu prístupu osôb oboch, alebo jedného smeru. Prístupový modul podporuje TCP/IP P2P komunikáciu pomocou rozhrania Ethernet portu, dva Wiegand vstupy a jeden výstup na relé. Napájanie 9-24VDC, rozmery PCB 138x114x27mm, doporučený napájací zdroj 1A.
Licencia za dochádzkový a prístupový WEB portál SYSDO. Jedná sa o licenciu jednej osoby za mesiac.
SYSFX9 SYSDO terminál pre dochádzku a prístup, rozpoznanie tváre, biometrická čítačka, Emarine 125kHz karta /na objednanie Mifare 13,56kHz/. Komunikácia TCP/IP, WiFi, USB, 26/34 Wiegand. LCD 2.8" farebný displej. Napájanie 12VDC / POE, akumulátor o kapacite 1400mA s dobou prevádzky až 4hod
IP prístupová PCB ústredňa SYSDO na štyri dvere pre pre evidenciu a kontrolu prístupu osôb pre riadenie jedného smeru. Prístupový modul podporuje TCP/IP P2P komunikáciu pomocou rozhrania Ethernet portu, štyri Wiegand vstupy a štyri výstupy relé. Napájanie 9-24VDC, rozmery PCB 200x114x27mm, odporučený napájací zdroj 2A.
Akčná ponuka
SYSAF3+ WiFi Tuya Finger/Key/EM/MF Reader WG
WiFi Tuya přístupová čtečka biometrické otisků prstů, PIN nebo multiformat EM/MF karet s Wie
58.49 €
vr. DPH 71.94 €
SYSA20
Prístupová čítačka odtlačkov prstov, kódu a EM kariet s Wiegand výstupom, 1000 užívateľov
AWSY1205BR
Stabilizovaný zálohovaný zdroj 13.8V v boxu s místem pro 12V/7Ah akumulátor, technické výstup
AWSY1205MA
Stabilizovaný zálohovaný zdroj 13.8V v boxu s místem pro 12V/18Ah akumulátor, technické výstu
AWSH1203B
Stabilizovaný zálohovaný zdroj 13.8V 3A s výstupem pro záložní akumulátor 12V/7Ah.
AWSH1205B
Stabilizovaný zálohovaný zdroj 13.8V / 5A s výstupem pro záložní akumulátor 12V/7Ah.
SYSCR005EM
RFID prístupová čítačka EM ID s Wiegand 26bit, napájanie 9 až 12VDC, odber max. 30mA, rozmery
SYSF91E
IP prístupová čítačka SYSDO odtlačky prstov a EM kariet pre evidenciu a kontrolu prístupu osà
WiFi Tuya přístupová čtečka biometrické otisků prstů, PIN nebo multiformat EM/MF karet s Wiegand 26/34 výstupem až 1000 uživatelů, autonomní funkce, výstup relé, napájení 12VDC, odběr max. 150mA, krytí IP66
Prístupová čítačka odtlačkov prstov, kódu a EM kariet s Wiegand výstupom, 1000 užívateľov, autonómne funkcie, výstup relé, USB, komunikuje hlasom, napájanie 12VDC, odber max. 150mA.
Stabilizovaný zálohovaný zdroj 13.8V v boxu s místem pro 12V/7Ah akumulátor, technické výstupy stavu AC a akumulátoru.
Stabilizovaný zálohovaný zdroj 13.8V v boxu s místem pro 12V/18Ah akumulátor, technické výstupy stavu AC a akumulátoru.
Stabilizovaný zálohovaný zdroj 13.8V 3A s výstupem pro záložní akumulátor 12V/7Ah.
Stabilizovaný zálohovaný zdroj 13.8V / 5A s výstupem pro záložní akumulátor 12V/7Ah.
RFID prístupová čítačka EM ID s Wiegand 26bit, napájanie 9 až 12VDC, odber max. 30mA, rozmery 49 x 20 x 110mm, krytie IP68
IP prístupová čítačka SYSDO odtlačky prstov a EM kariet pre evidenciu a kontrolu prístupu osôb. Prístupová čítačka podporuje TCP/IP P2P komunikáciu pomocou rozhrania Ethernet portu, jeden Wiegand vstup pre externú čítačku, výstup relé, odchodové tlačidlo. Napájanie 9 - 24VDC, odber 500mA, rozmery PCB 160x56x41mm
Čtečka čipových karet s klávesnicí SIFER DESfire EV1.
Čtečka čipových karet s klávesnicí SIFER DESfire EV1. - víceformátová verze
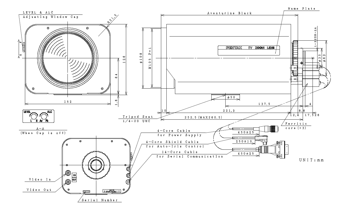
ZOOM objektív s F1.7 automatickou clonou VS, ohnisková vzdialenosť 10,0 - 330,0 mm, motorizované ostrenie a zoom. Zníženie účinkov častíc vo vzduchu, ako hmla, dážď (tekutina) a piesok, dym, sneh (pevná látka). Kompatibilný so štandardnými CCTV kamerami.
ZOOM objektív s F1.7 automatickou clonou VS, ohnisková
vzdialenosť 10,0 - 330,0 mm, motorizované ostrenie a zoom. Zníženie
účinkov častíc vo vzduchu, ako hmla, dážď (tekutina) a piesok, dym,
sneh (pevná látka). Kompatibilný so štandardnými CCTV kamerami.
Automatické zaostrenie "na kliknutie myši." Software pre diaľkové
ovládanie v cene. Otvorená platforma zahŕňa informácie o príkazoch
a RS232C rozhranie.